

油田抽油机悬绳器作业时需要调整毛辫子平衡和对称,防止单边受力不均造成毛辫子寿命降低,甚至断脱影响抽油机正常工况。
毛辫子作为将驴头的旋转运动转换成抽油光杆直线运动动力的柔性配件,在设备运转过程中起到重要作用。毛辫子长期带动着整个抽油杆柱及抽油泵上液柱做上下往复运动,负荷重且是交替变化的,与驴头之间还有摩擦、弯曲等动作,且长期经受雨雪风霜侵蚀,这些很容易导致毛辫子疲劳、磨损、生锈导致起刺甚至断股。
毛辫子断股后会导致悬绳器倾斜,如发现不及时,让抽油机继续运转,会造成光杆拉弯甚至断裂,增加设备维护费用,若光杆断裂,下端会掉入油井中,井口密封失效,原油会反喷污染环境,还可能对井口工作人员的人身安全造成风险,且维修还需要捞光杆,大大增加了维护工作量及工作难度。因此,需要一种能对毛辫子断股进行实时监控,并在发生断股后,向远程监控中心发出报警的装置,以便及时停抽与维护。“抽油机远程无线倾角变送器”正是为解决这一问题而研发的新型产品。
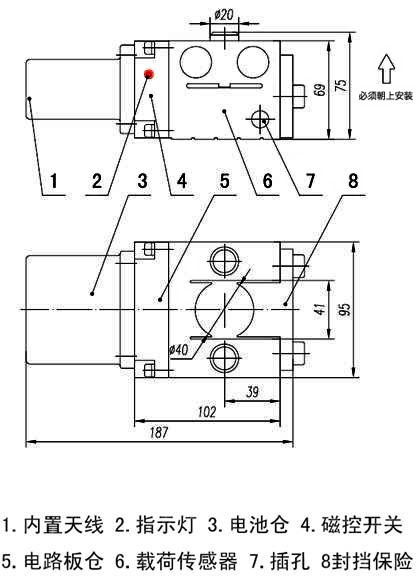
抽油机远程无线倾角变送器采用高精度倾角传感器和抽油机负荷传感器一体化设计,锂电池和太阳能双重供电,取代传统负荷传感器直接安装在悬绳器中间或上面。无线倾角变送器与井口RTU的数据连接采用标准“四化”协议,采集的数据通过4G模块,无线远程发送到油田数据中心,实现实时数据监测。
技术特点:
★高精度设计和制造:选用数字型小体积MEMS倾角传感器,内置双通道地球引力倾斜单元,通过测量静态重力加速度,转换成倾角变化。从而可以测量传感器输出相对于水平面的倾斜和俯仰角度。
★安装方便快捷:一体化的设计和无线位移载荷传感技术,结构紧凑、重量轻,取代传统负荷传感器直接安装在悬绳器中间或上面,安装十分方便。
★无线入网,安全快捷:采集的数据通过无线自组网连接井口RTU(或4G模块DTU),远程发送到油田数据中心,实现实时数据监测。
★具有倾角自动消除零点,值超限报警、数据管理报表等功能。
★具备防水、防尘、防爆、防震、防有害气体功能。
技术参数:
★ 采集时间间隔可设置 为15min ~ 24 h
★ 输出:zigbee无线网络 或者4G移动公网无线数据传输
★ 通信距离: 200 m(zigbee网络空旷直视)(极限300m)
★ 使用极限环境温度 : -40 ℃ ~ +70 ℃
★ 环境湿度 : 5% ~ 95% RH
★ 测量范围 : 0 ~ 180 kN 精度: 0.5 % F.S
★ 过载能力 : 1.5倍满量程
★ 冲程测量范围 : 2 ~ 12m 精度: 2 % F.S
★ 冲次测量范围 : 0.8 ~ 6 min-1 精度: 1 % F.S
★ 双轴X、Y倾角测量范围 : ±30° 精度:静态0.25°,动态0.5°
★ 供电 : 7.2V一次锂/亚硫酰氯电池 或者 太阳能+充电锂电池
产品外形图:

安装方式:
将抽油机停在下死点刹车锁死,将无线功图采集器触点朝上插入悬绳器上盖与下盖之间或安装在卡箍与悬绳器之间,拧紧防锁销锁。松开刹车,开启抽油机。

产品图:

3142764906
